Patent dla Uczelni za wynalazek pt. "Bezluzowa przekładnia zębata"
Zespół naukowców z Politechniki Koszalińskiej w składzie: prof. dr hab. inż. Wojciech Kacalak; dr hab. Inż. Zbigniew Budniak, prof. PK; dr inż. Monika Szada-Borzyszkowska, otrzymał patent na wynalazek o nazwie: "Bezluzowa przekładnia zębata ".
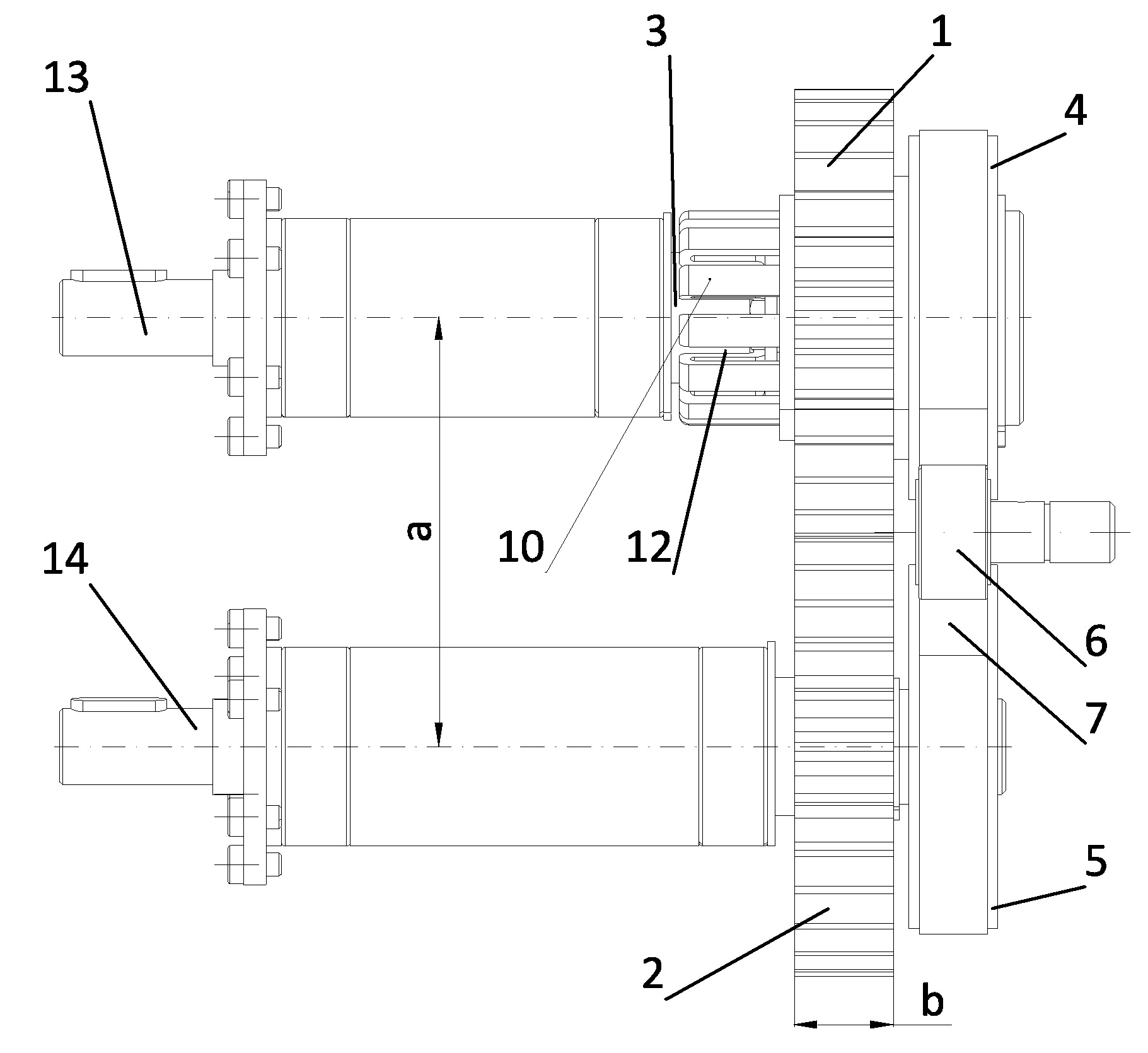
Przedmiotem wynalazku jest przekładnia do stosowania w napędach, o zmiennym kierunku obrotu, przy stosunkowo małych obciążeniach, w przemyśle obrabiarkowym. Może być stosowana w napędach o zmiennym kierunku obrotu, w warunku stosunkowo małych obciążeń, szczególnie w precyzyjnych maszynach przemysłu obrabiarkowego, automatyce oraz urządzeniach wymagających dokładnego i płynnego przenoszenia napędu bez luzów. Cechą wynalazku jest możliwość adaptacyjnej minimalizacji luzu w przekładniach zębatych walcowych, przy jednoczesnym tłumieniu drgań i zmniejszeniu hałasu. Dzięki sprężystej tulei i napinanemu pasowi, przekładnia dostosowuje się do obciążeń i zapewnia płynne oraz precyzyjne przenoszenie napędu, zachowując prostą i łatwą do regulacji konstrukcję.
Szczegóły wynalazku dostępne są na stronie Urzędu Patentowego i w Konstelacji Wiedzy Politechniki Koszalińskiej.
